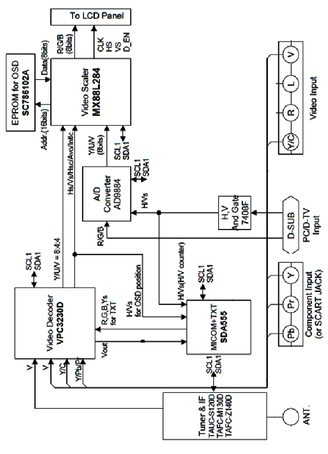
2. Phân tích khối xử lý tín hiệu Video trên máy Tivi - LG 24”
Xem tiếp: Khối xử lý tín hiệu video (Phần 3)
2.1. Sơ đồ khối xử lý tín hiệu Video tổng quát gồm các thành phần:
- Bộ kênh và trung tần.
- Mạch giải mã tín hiệu Video.
- Mạch đổi A/D Converter.
- Mạch xử lý tín hiệu Video Scaler.
2.2. Bộ kênh và trung tần
* Các điện áp và tín hiệu điều khiển bộ kênh bao gồm:
![]() |
| Hình 4 - Khối xử lý tín hiệu Video trên máy Tivi LCD - LG |
2.2. Bộ kênh và trung tần
![]() |
| Hình 5 - Bộ kênh và trung tần trên vỉ máy LG |
![]() |
| Hình 6 - Bộ kênh và trung tần trên các máy Tivi LCD |
![]() |
| Hình 7 - Bộ kênh và trung tần và các điện áp, tín hiệu điều khiển. |
- Điện áp VT (Voltage Tuning) là điện áp cấp cho mạch dò kênh, điện áp này là 32V, điện áp này do mạch tăng áp cung cấp.
- Điện áp B+(5V) cấp cho mạch giải mã lệnh và mạch xử lý tín hiệu trên bộ kênh.
- SCL (Signal Clock) tín hiệu điều khiển từ CPU thông qua giao tiếp Serial
- SDA (Signal Data) dữ liệu từ CPU điều khiển bằng giao tiếp Serial. Hai tín hiệu SDA và SCL đi vào bộ kênh, trong bộ kênh cần có mạch giải mã lệnh để lấy ra các lệnh điều khiển như: Lệnh chuyển kênh, lệnh dò kênh, lệnh thay đổi băng tần.
- GND tiếp mass của bộ kênh.
- AFT (Auto Fine Tuning) chân tự động điều chỉnh tần số thu để ổn định tín hiệu.
- BP chân đưa ra tín hiệu video chuẩn CVBS cấp cho mạch xử lý tín hiệu Video Processor. VBS chân đưa ra tín hiệu trung tần tiếng cấp cho mạch xử lý âm thanh Audio Processor
* Nguyên lý của mạch tăng áp tạo ra điện áp 32V cấp cho mạch VT:
Nguyên lý hoạt động của mạch tăng áp:
![]() |
| Hình 8 - Mạch tăng áp tạo ra điện áp 32V cấp cho mạch VT của bộ kênh. |
- Mạch hoạt động theo nguyên lý dao động nghẹt, đèn Q1 vừa là thành phần tạo dao động vừa là thành phần công suất để ngắt mở dòng điện đi qua cuộn dây L1.
- Ban đầu điện áp đi qua R2 vào chân B phân cực cho đèn Q1 dẫn, mạch hồi tiếp âm từ cực C về cực B của đèn sử dụng mạch dao động L-C (L2 và C1) đã tạo ra nhịp dao động điều khiển đèn Q1 hoạt động ngắt mở, tấn số ngắt mở của Q1 phụ thuộc vào L2, C1 và C2 và có tần số tương đối cao (vài chục KHz) dòng điện biến thiên đi qua cuộn dây L1 khi Q1 ngắt mở đã tạo ra năng lượng và Hình thành lên xung điện ở chân C đèn Q1 có biên độ khá lớn.
- Mạch chỉnh lưu bội áp C3, D1, D2, C4 đã chỉnh lưu điện áp xung tạo ra điện áp một chiều ở trên tụ C4 khoảng 50V.
- Điện áp trên C4 được giảm áp qua R3 và gim cố định trên Dz tạo ra điện áp 32V cấp cho mạch VT của bộ kênh.
* Mạch giải mã lệnh tích hợp trong bộ kênh.
- Bộ kênh và các mạch khác của máy thường cần các lệnh điều khiển từ CPU, có rất nhiều lệnh điều khiển cần thực hiện cho các chức năng, trong đó bộ kênh Analog cũng cần tới các điều khiển như:
- Lệnh thay đổi điện áp VT để dò kênh và chuyển kênh.
- Lệnh thay đổi băng sóng VL, VH và U để điều khiển hoạt động của các băng sóng (VHL, VHF hay UHF).
- Các hệ thống kênh Analog cũ thì mỗi lệnh trên cần một đường mạch điều khiển từ CPU tới, trên hệ thống kênh Digital, các lệnh trên được mã hoá và truyền theo các bus SDA và SCL đưa đến bộ kênh, tại bộ kênh mạch giải mã lệnh sẽ giải mã để lấy ra các lệnh dạng Analog điều khiển các hoạt động của bộ kênh.
![]() |
| Hình 9 - Mạch giải mã lệnh trong bộ kênh giải mã để lấy ra các lệnh điều khiển |
2.3. Mạch giải mã tín hiệu Video
![]() |
| Hình 10 - Sơ đồ tổng quát mạch giải mã tín hiệu Video |
![]() |
| Hình 11 - Sơ đồ chân của IC giải mã tín hiệu Video |
![]() |
| Hình 12a - Sơ đồ khối của IC giải mã tín hiệu Video |
Mạch này cung cấp một giao diện tương tự cho các tín hiệu Video đầu vào, thực hiện chuyển đổi tín hiệu tương tự sang tín hiệu số cho việc xử lý Video kỹ thuật số.
Clamp: là mạch gim mức tín hiệu Analog giúp cho các nguồn tín hiệu có biên độ khác nhau đều được gim ở một mức chuẩn trước khi khuếch đại và đổi sang tín hiệu số.
![]() |
| Hình 12b - Mạch Analog Front-end |
- Gain: là mạch tự động điều chỉnh độ lợi của tín hiệu
- Hai mạch ADC được thực hiện để số hoá cho các tín hiệu đầu vào, các bộ chuyển đổi chạy với tần số 20,25MHz và tạo ra dữ liệu 8 bit.
- Reference là mạch tạo điện áp tham chiếu cho mạch đổi ADC
- Analog Video Output: là tín hiệu Video đưa ra
- Digital CVBS or Luma: là tín hiệu số ngõ ra mang thông tin về tín hiệu chói.
- Digiatal Chroma: là tín hiệu số Ngõ ra mang thông tin về tín hiệu mầu.
- System Clock: là xung đồng hồ đưa ra
* Mạch Adaptive Comb Filter (Mạch lọc băng thông)
- Mạch Adaptive Comb Filter là các mạch lọc băng thông có nhiện vụ lọc nhiễu làm tăng chất lượng của tín hiệu mầu và tín hiệu chói, giảm các nhiễu mầu chéo chéo trên màn hình.
![]() |
| Hình 12c - Mạch Adaptive Comb Filter |
* Mạch Analog Component Font end
- Mạch tiếp nhận tín hiệu vào từ các cổng Component và đổi sang tín hiệu số thông qua mạch ADC.
* Mạch Matrix
- Mạch ma trận có chức năng chuyển đổi tín hiệu R, G, B sang định dạng Y, Cr, Cb theo công thức sau:
* Mạch Color Decoder (Mạch giải mã mầu): Mạch này thực hiện chức năng giải mã các mầu tiêu chuẩn PAL, SECAM, NTSC
* Mạch Mixer (Mạch trộn tín hiệu)
![]() |
| Hình 12d - Sơ đồ mạch giải mã mầu đa hệ |
- Là mạch tập trung từ hai nguồn tín hiệu khác nhau sau khi đã được xử lý và cùng tạo ra các tín hiệu là Y, Cr, Cb rồi cung cấp sang mạch 2D Scaler.
* Mạch Syn Clock Generation (mạch tạo xung đồng bộ)
2.4. Mạch A/D Converter cho tín hiệu từ Computer
![]() |
| Hình 12e - Mạch tạo xung đồng bộ từ tín hiệu Video |
![]() |
| Hình 13a - Mô tả chức năng của các chân IC giải mã tín hiệu Video |
![]() |
| Hình 13b - Mô tả các chân IC giải mã tín hiệu Video. |
![]() |
| Hình 13c - Mô tả chức năng các chân của IC giải mã tín hiệu Video |
![]() |
| Hình 13d - Mô tả các chân IC giải mã tín hiệu Video. |
![]() |
| Hình 14 - IC đổi tín hiệu Analog sang Digital cho ngõ vào tín hiệu Computer |
- R (Reed) tín hiệu Analog mang thông tin về hình ảnh mầu đỏ.
- G (Green) tín hiệu Analog mang thông tin về hình ảnh mầu xanh lá cây
- B (Blue) tín hiệu Analog mang thông tin về hình ảnh mầu xanh lơ
- H.Sync - Xung đồng bộ dòng.
- V.Sync - Xung đồng bộ mành.
Các tín hiệu R, G, B được IC - A/D Converter chuyển đổi sang tín hiệu số để cung cấp cho IC xử lý tín hiệu Video.
Các mạch trong IC:
- Mạch CLAMP là mạch gim mức tín hiệu, các tín hiệu đầu vào đều phải được gim với một giá trị chuẩn trước khi đưa vào mạch A/DC
- A/D là mạch đổi tín hiệu Analog sang Digital, các tín hiệu ra là tín hiệu 8 bít.
- CLOCK GENERATOR là mạch tạo xung, nhận xung H.Sync và V.Sync đầu vào để so sánh rồi tạo ra các tín hiệu HS, VS và Clock cấp cho mạch xử lý tín hiệu Video.
- CONTROL là mạch giải mã các lệnh điều khiển từ CPU
- REF là mạch tạo ra điện áp chuẩn 1,25V
2.5. Mạch Video Scaler sử dụng IC - MX88L284
- Video Decoder - Mạch giải mã tín hiệu Video.
![]() |
| Hình 15 - Các chuẩn tín hiệu - độ phân giải và tần số quét |
![]() |
| Hình 16 - Sơ đồ tổng quát về khối Video và mạch Scaler |
- Pre AMP - Mạch tiền khuếch đại tín hiệu R,G,B.
- ADC là mạch đổi tín hiệu tương tự sang tín hiệu số.
- PLL - Vòng khoá pha cho mạch tạo xung HS, VS, Clock.
- ROM - Bộ nhớ ROM
- MX88L284 - IC xử lý Video Scaler.
- SRAM - Bộ nhớ RAM.
- OSD GENERATOR - Mạch tạo hiển thị trên màn hình.
- 18/24 bit RGB - dữ liệu 18 hoặc 24 bít mầu
- H/V Sync, CLK and DE - Xung dòng, mành, Clock và cho phép hiển thị
- LCD Panel - Màn hình LCD
Chú thích các mạch trong IC
![]() |
| Hình 17 - Sơ đồ khối tổng quát của IC - Video Scaler |
- VIP (Video Input Processor) - Mạch xử lý tín hiệu Video đầu vào.
- MIU (Memory Interface Unit) - Mạch giao tiếp với bộ nhớ.
- VOP (Video Output Processor) - Mạch xử lý tín hiệu Video đầu ra.
- BIU (CPU BUS Interface Unit) - Mạch giao tiếp với CPU.
- OSD GENERATOR - Mạch tạo hiển thị.
- SRAM - Bộ nhớ RAM.
- FPD Panel - Màn hình.
![]() |
| Hình 18 - Các mạch trong IC - Video Scaler |
![]() |
| Hình 19 - Sơ đồ chân IC - Video Scaler trên máy LG |
![]() |
| Hình 20a - Các chân của IC - Video Scaler giao tiếp với CPU |
![]() |
| Hình 20b - Các chân của IC- Video Scaler giao tiếp với SRAM |
![]() |
| Hình 20c - Các chân của IC- Video Scaler nhận tín hiệu vào Input |
![]() |
| Hình 20d - Các chân của IC - Video Scaler giao tiếp với màn hình LCD. |
![]() |
| Hình 20e - Các chân giao tiếp với mạch tạo hiển thị. |





























0 nhận xét:
Speak up your mind
Tell us what you're thinking... !